Prodotti
Torna e sollevamento cilindri per macchinari agricoli
  • Torna e sollevamento cilindri per macchinari agricoliTorna e sollevamento cilindri per macchinari agricoli
  • Torna e sollevamento cilindri per macchinari agricoliTorna e sollevamento cilindri per macchinari agricoli

Torna e sollevamento cilindri per macchinari agricoli

Come produttore di lunga durata radicato in Cina, Raydafon ha portato a viti economici e di sollevamento di cilindri per i macchinari agricoli nel settore agricolo, basandosi sulla propria fabbrica e tecnologia matura. Con il suo prezzo ragionevole, è diventato un fornitore di fiducia per molti agricoltori e cooperative di macchinari agricoli. Questo cilindro di rimorchio e sollevamento per macchinari agricoli è forgiato con acciaio in lega addensati e rafforzato da sette processi di tempra. Può facilmente sollevare macchinari agricoli da 3 tonnellate ed è abbastanza potente per il sollevamento e il abbassamento delle attrezzature per l'aratura o per il carico e lo scarico di rimorchi. Con la qualità affidabile e il premuroso servizio post-vendita, i cilindri di rimorchio e sollevamento di Raydafon per macchinari agricoli stanno aiutando la produzione agricola in vari luoghi per operare in modo efficiente.

Towing And Lifting Cylinder For Agricultural Machinery

Caratteristiche del prodotto

Raydafon, come produttore cinese profondamente impegnato nel campo idraulico, ha creato un cilindro di rimorchio e sollevamento economico per macchinari agricoli con l'artigianato dei propri padroni di fabbrica. Con un prezzo ragionevole, è diventato un fornitore di fiducia di molte fattorie e fabbriche di macchinari agricoli. Questo cilindro è progettato per complesse condizioni di lavoro nei terreni agricoli e i suoi tre vantaggi fondamentali facilitano le operazioni agricole.


Potente e resistente, con piena resistenza alla forgiatura: il rimorchio di Raydafon e il cilindro di sollevamento per macchinari agricoli sono forgiati con acciaio in lega di grado minerario, la parete del cilindro è più spesso del 30% e viene martellata attraverso otto processi di tempra, con una durezza paragonabile a quella dei binari ferroviari. Può sollevare stabilmente 3,5 tonnellate di macchinari agricoli e l'aratura e il trasporto di attrezzature pesanti non sono un problema. La superficie è rivestita con quattro strati di rivestimento anticorrosivo. Dopo due anni di uso continuo nella terra salina-alcali e nelle risaie bagnate, il corpo del cilindro è ancora luminoso come nuovo senza perde una goccia di olio.


Stabile come una montagna, flessibile per operare: il sistema di equilibrio idraulico a due vie originale consente di sollevare e abbassare accuratamente il bombola di rimorchio e il sollevamento per i macchinari agricoli e abbassati con precisione. Il sensore di pressione incorporato innesca automaticamente la protezione quando sovraccarico e interrompe l'azione entro 0,3 secondi.


Personalizzato su richiesta, post-vendita senza preoccupazioni: supporta la completa personalizzazione della posizione della porta del petrolio e della lunghezza dell'ictus e può adattarsi ai vecchi modelli e ai macchinari agricoli importati. L'installazione richiede solo un serraggio di alcune viti e gli operatori di macchinari agricoli ordinari possono farlo secondo le istruzioni. Ha superato ISO 9001 e la doppia certificazione del settore dei macchinari agricoli e ha risposto entro 24 ore in caso di problema. Il prodotto di Raydafon è un "aiutante hard-core" per ridurre i costi e aumentare l'efficienza nella produzione agricola.

Towing And Lifting Cylinder For Agricultural Machinery


Applicazione del prodotto

Nelle operazioni di aratura, i cilindri di rimorchio e sollevamento per macchinari agricoli sono la "potenza" delle attrezzature per arare. L'aratro invertito tirato dal trattore deve regolare frequentemente la profondità della penetrazione del suolo. Il cilindro dell'olio prodotto da Raydafon può sollevare e abbassare con precisione il corpo dell'aratro e può anche esercitare la forza stabilmente quando si incontrano blocchi di terreno duri, garantendo una profondità di aratura uniforme e migliorando notevolmente l'efficienza dell'aratura. È anche indispensabile nel processo di semina. Sulla seminatrice, il cilindro dell'olio controlla il sollevamento e l'abbassamento del misuratore di semi e la pressione della ruota a pressione. Durante la semina, il cilindro dell'olio consente alla ruota della pressione di compattare il terreno con una forza appropriata per garantire uno stretto contatto tra i semi e il terreno e migliorare il tasso di emergenza; Quando si trasferiscono i grafici, può sollevare rapidamente il misuratore di semi per facilitare il movimento della macchina.


Nella fase di raccolta, il cilindro di rimorchio e sollevamento per macchinari agricoli sulla mietitrebbia gioca un ruolo chiave. Dopo che la scatola del grano è piena, devi solo far funzionare il cilindro dell'olio per sollevare facilmente la scatola del grano e scaricare rapidamente il grano sul veicolo di trasporto. L'intero processo è regolare e risparmiando il lavoro. Inoltre, durante la raccolta di colture cadute, il cilindro dell'olio può anche regolare in modo flessibile l'altezza dell'intestazione per garantire la raccolta liscia. Inoltre, sulle attrezzature per il trasporto agricola, come i cassonetti agricoli, il cilindro dell'olio controlla il sollevamento e l'abbassamento del secchio. Il secchio riempito con paglia e fertilizzante può essere automaticamente inclinato e scaricato spingendo il cilindro dell'olio, che è più volte più efficiente della maneggevolezza manuale. Come fornitore che spedisce direttamente dalla fabbrica, Raydafon fornisce agricoltori e società di macchinari agricoli con prodotti a prezzi accessibili e durevoli attraverso una produzione su larga scala, aiutando ogni fase della produzione agricola.

Towing And Lifting Cylinder For Agricultural Machinery


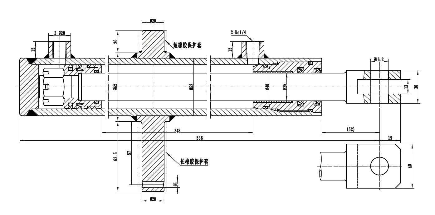
Parametro del prodotto:

Modello cilindro Specifiche Pressione di lavoro Massimo resistere alla pressione Viaggio Distanza di installazione Peso
HCYY111112017 Φ40 × φ25 × 348 16.7MPA 24.5mp 348 536 6 kg

Towing And Lifting Cylinder For Agricultural Machinery



Tag caldi: Torna e sollevamento cilindri per macchinari agricoli
Invia richiesta
Informazioni di contatto
Per richieste su cilindri idraulici, cambi, alberi PTO o listino prezzi, lasciaci la tua email e ci saremo in contatto entro 24 ore.
X
Utilizziamo i cookie per offrirti una migliore esperienza di navigazione, analizzare il traffico del sito e personalizzare i contenuti. Utilizzando questo sito, accetti il ​​nostro utilizzo dei cookie. politica sulla riservatezza
Rifiutare Accettare