QR Code
Prodotti
Contattaci

Telefono

Fax
+86-574-87168065

E-mail

Indirizzo
Area industriale di Luotuo, distretto di Zhenhai, Ningbo City, Cina
L'accoppiamento universale di saldatura a flessione corta SWC-DH di Raydafon è costruito per collegare gli alberi disallineati in ingranaggi per impieghi pesanti: pensarci i rondine, i paranchi e le macchine di lavorazione in acciaio. È un accoppiamento universale a flessione corta compatta, con un diametro di girazione che va da 45 mm a 390 mm. Anche quando gli alberi sono spenti fino a 25 gradi (disallineamento angolare), si muove ancora in modo efficiente la coppia, malato a 1000 kn · m, il che si adatta perfettamente alle esigenze di alimentazione delle attrezzature pesanti.
Lo facciamo con acciaio da 35 crmo ad alta resistenza e aggiungiamo quattro cuscinetti ad ago, quindi regge sotto carichi pesanti. Ecco perché è una scelta solida per i giunti universali di macchinari industriali e funziona alla grande come attrezzature pesanti saldate giunti universali saldati in punti in cui i carichi rimangono alti senza sosta. Il suo design corto è perfetto per le macchine con poco spazio per il movimento assiale: dà una dura soluzione di trasmissione per spazi industriali difficili.
Il produttore di Raydafon con sede in Cina con certificazione ISO 9001, quindi ci atteniamo a rigide regole di qualità per ogni accoppiamento universale SWC-DH. L'albero incrociato ottiene una piastra cromata per combattere la corrosione, quindi dura anche quando le condizioni sono dure. Il giogo saldato semplifica l'installazione, allinea solo gli alberi e funziona al meglio. Lo troverai su marcia in metallurgia, mining e sistemi di gru, nessun problema.
Inoltre, questo accoppiamento è disponibile in diverse dimensioni e valutazioni di coppia. Se hai bisogno di un accoppiamento universale personalizzato per i macchinari industriali - diciamo, per i raccoglitori o altre attrezzature specifiche - possiamo adattarlo alle tue esigenze e il prezzo rimane competitivo. Abbiamo il know-how di produzione per far ridere questo breve accoppiamento flessibile sui tempi di inattività delle attrezzature, quindi le macchine funzionano in modo più affidabile nel complesso.
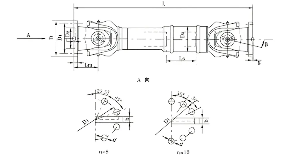
| NO. | Diametro della girazione d mm | Coppia nominale Tn Kn · m | Angolo di piega degli assi β (°) | Topca stanca TF Kn · m | Quantità flessibile Ls mm | Dimensione (mm) | Inerzia rotante kg.m2 | Peso (kg) | |||||||||||
| Lmin | D1 (JS11) | D2 (H7) | D3 | Lm | n-d | k | t | b (H9) | g | Lmin | Aumento 100 mm | Lmin | Aumento 100 mm | ||||||
| SWC180DH1 | 180 | 20 | 10 | ≤25 | 75 | 650 | 155 | 105 | 114 | 110 | 8-17 | 17 | 5 | - | - | 0.165 | 0.0070 | 58 | 2.8 |
| SWC180DH2 | 55 | 600 | 0.162 | 56 | |||||||||||||||
| SWC180DH3 | 40 | 550 | 0.160 | 52 | |||||||||||||||
| SWC225DH1 | 225 | 40 | 20 | ≤15 | 85 | 710 | 196 | 135 | 152 | 120 | 20 | 5 | 32 | 9.0 | 0.415 | 0.0234 | 95 | 4.9 | |
| SWC225DH2 | 70 | 640 | 0.397 | 92 | |||||||||||||||
| SWC250DH1 | 250 | 63 | 31.5 | ≤15 | 100 | 795 | 218 | 150 | 168 | 140 | 8-19 | 25 | 6 | 40 | 12.5 | 0.900 | 0.0277 | 148 | 5.3 |
| SWC250DH2 | 70 | 735 | 0.885 | 136 | |||||||||||||||
| SWC285DH1 | 285 | 90 | 45 | ≤15 | 120 | 950 | 245 | 170 | 194 | 160 | 8-21 | 27 | 7 | 40 | 15.0 | 1.876 | 0.0510 | 229 | 6.3 |
| SWC285DH2 | 80 | 880 | 1.801 | 221 | |||||||||||||||
| SWC315DH1 | 315 | 125 | 63 | ≤15 | 130 | 1070 | 280 | 185 | 219 | 180 | 10-23 | 32 | 8 | 40 | 15.0 | 3.331 | 0.0795 | 346 | 8.0 |
| SWC315DH2 | 90 | 980 | 3.163 | 334 | |||||||||||||||
| SWC350DH1 | 350 | 180 | 90 | ≤15 | 140 | 1170 | 310 | 210 | 267 | 194 | 10-23 | 35 | 8 | 50 | 16.0 | 6.215 | 0..2219 | 508 | 15.0 |
| SWC350DH2 | 90 | 1070 | 5.824 | 485 | |||||||||||||||
| SWC390DH1 | 390 | 250 | 125 | ≤15 | 150 | 1300 | 345 | 235 | 267 | 215 | 10-25 | 40 | 8 | 70 | 18.0 | 11.125 | 0.2219 | 655 | |
| SWC390DH2 | 90 | 1200 | 10.763 | 600 | |||||||||||||||
* 1. TF-under L'alternanza Carica la coppia che consente in base alla resistenza alla fatica. * 2. LMIN-LA MAGGIORNITÀ DOPO IL TACK. * 3. Lunghezza L-installazione, che è secondo il requisito
L'accoppiamento dell'articolazione universale SWC, spesso chiamato accoppiamento giunto universale dell'albero cardan SWC, è un componente chiave in scenari industriali per impieghi pesanti. È indispensabile per i rondine, i macchinari di sollevamento e vari sistemi di macchinari pesanti su larga scala. Come accoppiamento articolare universale ad alto turno, può effettivamente collegare due alberi di trasmissione con assi non cotti, garantendo la trasmissione di potenza ininterrotta anche in condizioni di lavoro complesse e difficili.
I parametri tecnici principali di questo accoppiamento sono i seguenti:
Diametro della rotazione: φ58 - φ620
Coppia nominale: 0,15 - 1000 kN · m
Angolo di piega dell'asse: ≤25 °
In applicazioni pratiche, funziona eccezionalmente bene. Ad esempio, durante le operazioni di laminatoio, quando è necessario un accoppiamento universale universale affidabile dedicato ai rondine o nelle attrezzature di sollevamento e movimentazione dei materiali, quando è necessario un accoppiamento resistente all'albero dell'articolazione universale SWC, questo prodotto è completamente competente. Anche sotto carichi pesanti, può mantenere stabilmente la stabilità operativa dell'attrezzatura.
L'accoppiamento giunto universale SWC è progettato utilizzando principi di ingegneria avanzata, offrendo prestazioni eccezionali e una durata di servizio più lunga in ambienti industriali. Le sue principali caratteristiche strutturali sono le seguenti:
Struttura ragionevole e sicura: caratterizzato da una progettazione di forcelle integrata, questo accoppiamento articolare universale industriale riduce il rischio di allentamento o rottura del bullone, aumentando la resistenza strutturale del 30%-50%. Questo design garantisce un funzionamento sicuro e affidabile, estende la durata di servizio rispetto ai modelli tradizionali e impedisce fallimenti comuni in scenari ad alta pressione come i sistemi di accoppiamento giunto universali per macchinari pesanti.
Capacità di carico avanzata: l'accoppiamento giunto universale SWC è specificamente progettato per sopportare carichi pesanti, rendendolo essenziale in scenari che richiedono un'eccellente gestione del carico come macchinari minerari o di costruzione.
Elevata efficienza di trasmissione: con un'efficienza fino al 98,6%, questo efficiente accoppiamento articolare universale per la trasmissione ad alta potenza riduce significativamente il consumo di energia e i costi correlati, rendendolo la prima scelta per le soluzioni di accoppiamento articolare universale per il risparmio energetico nei sistemi di trasmissione industriale ad alta potenza.
Funzionamento stabile a basso rumore: questo accoppiamento giunto universale a basso rumore funziona stabilmente con livelli di rumore in genere tra 30-40 dB (A), garantendo prestazioni silenziose. È ideale per ambienti sensibili al rumore mantenendo un'elevata affidabilità.
I giunti universali, in particolare l'accoppiamento giunto universale dell'albero cardan SWC, sono diventati componenti di trasmissione indispensabili nelle applicazioni industriali a causa dei loro vantaggi eccezionali. Possono soddisfare le esigenze di base con le loro prestazioni in campi come macchinari pesanti, produzione di precisione e trasmissione energetica. Di seguito è riportata un'analisi dettagliata dei loro vantaggi chiave:
1. Forte trasmissione della coppia e eccellente compensazione del disallineamento
Come accoppiamento articolare universale ad alta torque, può stabilmente trasmettere carichi ad alta potenza. Anche negli scenari in cui il disallineamento dell'albero si verifica frequentemente durante le operazioni di laminatoio, come l'offset assiale causato dall'usura del rullo e dalle variazioni di temperatura durante il rotolamento in acciaio-questo accoppiamento universale universale affidabile per le operazioni di rulli può gestirlo con facilità. Può contemporaneamente compensare disallineamenti angolari, assiali e radiali, con un disallineamento angolare massimo fino a 25 gradi. Questa eccellente adattabilità disallineamento impedisce gli inceppamenti di trasmissione causati dal disallineamento dell'albero, garantisce un errori di potenza continua e stabile, riduce in modo significativo la probabilità di guasti meccanici in condizioni di lavoro estreme e garantisce il continuo funzionamento delle linee di produzione.
2. alta durata e durata di servizio più lunga
La progettazione e la selezione del materiale di giunti universali SWC sono centrati su "resistere a carichi pesanti e resistere a ambienti difficili". Il corpo principale è realizzato in acciaio in lega ad alta resistenza, combinato con una struttura della testa di forcella integrata, che riduce fondamentalmente punti di fallimento comuni come l'allentamento del bullone e la rottura dei componenti. Prendendo come esempio l'accoppiamento dell'albero giunto universale SWC durevole utilizzato nell'apparecchiatura di sollevamento e movimentazione dei materiali, può resistere al carico di impatto istantaneo quando si solleva oggetti pesanti e mantengono prestazioni stabili in ambienti difficili come polvere e temperature elevate. Rispetto agli accoppiamenti tradizionali della struttura divisa, questo accoppiamento articolare universale industriale ha una resistenza complessiva aumentata del 30%-50%, il che non solo riduce la frequenza della manutenzione giornaliera, ma estende anche la durata del servizio di 2-3 anni. È particolarmente adatto per le esigenze di funzionamento ad alto carico a lungo termine dei sistemi di accoppiamento giunto universali per macchinari pesanti.
3. Elevata efficienza di trasmissione ed effetto significativo per il risparmio energetico
I test hanno dimostrato che l'efficienza di trasmissione dell'accoppiamento giunto universale SWC è alto fino al 98,6%, il che presenta evidenti vantaggi negli scenari di trasmissione industriale ad alta potenza, come i ventilatori di Blast Furnace in piante d'acciaio e sistemi di trasporto del carbone nelle piante elettriche. Per le apparecchiature che richiedono una trasmissione continua ad alta potenza, l'abbinamento con questo efficiente accoppiamento giunto universale per la trasmissione di potenza di grandi dimensioni può ridurre al minimo la perdita di potenza. Per le imprese che perseguono soluzioni di accoppiamento articolare universale per il risparmio energetico, questa elevata efficienza può essere convertita direttamente in vantaggi in termini di costi: assumere un motore industriale da 1500 kW come esempio, può risparmiare più di 12.000 yuan in costi di elettricità all'anno e può aiutare le imprese a ridurre i costi operativi considerevoli a lungo termine, mentre si completano con la crescita dell'energia e il consumo di consumo industriale.
4. Operazione stabile e tranquilla, adatto a più scenari
Ottimizzando l'accuratezza dell'adattamento del cuscinetto e usando un grasso lubrificante con un coefficiente di attrito basso, il rumore operativo di questo accoppiamento giunto universale a basso rumore è strettamente controllato a 30-40 dB (A), che è equivalente al livello di rumore ambientale di un ufficio quotidiano e pienamente con i siti di emissione del rumore. Negli scenari sensibili al rumore, come le linee di produzione negli impianti di trasformazione degli alimenti e le attrezzature di trasporto per componenti elettronici di precisione, non solo può garantire la stabilità e l'affidabilità del sistema di trasmissione, ma anche evitare di influire sull'ambiente di workshop o l'esperienza operativa dei dipendenti a causa del rumore. Allo stesso tempo, le caratteristiche di trasmissione stabili possono anche ridurre l'usura dei componenti circostanti causati dalle vibrazioni dell'attrezzatura, migliorando ulteriormente la stabilità operativa e la durata di servizio dell'intero sistema di produzione.
L'accoppiamento universale di tipo per saldatura a flessione corta SWC-DH, spesso indicato come accoppiamento giunto universale dell'albero cardan SWC, è utilizzato principalmente in scenari di macchinari pesanti come laminatori e paranchi. Questo tipo di attrezzatura ha requisiti estremamente elevati per la compattezza strutturale e la flessibilità, solo nel soddisfare questi due punti è possibile ottenere un funzionamento efficiente e questo accoppiamento soddisfa perfettamente tali esigenze. Come accoppiamento articolare universale ad alta torque, può effettivamente collegare due alberi di trasmissione con assi non cotti, garantendo la trasmissione di potenza senza soluzione di continuità anche in ambienti industriali duri che richiedono una compensazione precisa per il disallineamento del sistema dell'albero.
In applicazioni pratiche, durante il lavoro di un accoppiamento universale universale affidabile per le operazioni di laminatoio è necessario durante il lavoro di rolling o un accoppiamento resistente all'albero giunto universale SWC anche per le attrezzature per il sollevamento e la movimentazione dei materiali, questo prodotto può eseguire in modo eccellente: può mantenere il funzionamento delle apparecchiature stabili anche in carico estremi. Il suo vantaggio di adattabilità è particolarmente importante nei layout di apparecchiature compatte in cui lo spazio è limitato ed è richiesto un breve design a struttura flessibile.
Questo accoppiamento giunto universale industriale SWC-DH è costruito con tecnologia di ingegneria avanzata e ottimizzato per le prestazioni e la vita di servizio specificamente per gli scenari industriali. La sua caratteristica strutturale di base risiede nel suo design ragionevole e sicuro: la struttura integrata della testa della forcella elimina fondamentalmente i pericoli nascosti di allentamento o rottura del bullone, aumentando la resistenza complessiva del 30%-50%. Questo design non solo garantisce la sicurezza e l'affidabilità del funzionamento, ma estende anche la durata del servizio rispetto ai modelli tradizionali, evitando al contempo problemi di fallimento comuni negli scenari di applicazione ad alto stress come i sistemi di accoppiamento articolare universali per macchinari pesanti.
Inoltre, la sua capacità di portamento del carico è migliorata attraverso la progettazione per resistere a pesi maggiori, quindi questo accoppiamento giunto universale SWC è molto adatto per scenari con requisiti rigorosi sulla capacità di portamento del carico, come macchinari e attrezzature da costruzione. In termini di efficienza di trasmissione, raggiunge fino al 98,6%. In quanto efficiente accoppiamento articolare universale per una grande trasmissione di energia, può ridurre significativamente il consumo di energia e i costi di elettricità, rendendolo un prodotto preferito per soluzioni di accoppiamento articolare universale per risparmiare energia nel campo della trasmissione industriale ad alta potenza.
Infine, questo accoppiamento presenta una trasmissione stabile, con rumore operativo solitamente controllato a 30-40 dB (A), rendendolo un accoppiamento giunto universale a basso rumore. Questa caratteristica consente di operare in silenzio anche in scenari industriali sensibili al rumore mantenendo sempre un'alta affidabilità.
⭐⭐⭐⭐⭐ Wang Lei, Progetto Ingegnere, Guangdong Heavy Machinery Co., Ltd.
Usiamo da un po 'di tempo usando l'accoppiamento universale di saldatura a flessibile SWC-DH di Raydafon nei nostri macchinari pesanti, ed è stata una piacevole sorpresa, specialmente quando si tratta di adattarsi a punti stretti. La nostra attrezzatura ha uno spazio piuttosto limitato per le parti di trasmissione, ma il design compatto di questo accoppiamento si adatta come un guanto, non è necessario riorganizzare altri componenti solo per farlo funzionare.
Ciò che è ancora meglio è che non sacrifica le prestazioni per le dimensioni. Offre ancora una trasmissione di coppia forte e costante, critica per le nostre operazioni pesanti. Lo abbiamo eseguito continuamente per settimane e non c'è stata zero vibrazioni anormali; L'intero sistema rimane liscio. Anche la qualità della saldatura è un altro punto culminante: puoi dire che è solido solo guardandola, il che ci dà totale fiducia che manterrà fino a un uso pesante a lungo termine. Per un accoppiamento che bilancia il design e l'affidabilità per risparmiare spazio, questo è un vincitore.
⭐⭐⭐⭐⭐ Zhao Ming, responsabile degli appalti, Tianjin Steel Equipment Co., Ltd.
Di recente abbiamo ordinato diversi accoppiamenti SWC-DH da Raydafon e devo dire che l'intero processo di approvvigionamento è stato un gioco da ragazzi: nessun mal di testa, nessun ritardo. Dal momento in cui abbiamo inviato nell'ordine, la loro squadra è stata reattiva e la consegna si è presentata proprio alla data programmata, che è un grande vantaggio per mantenere la nostra produzione in pista. Anche l'imballaggio era di prim'ordine: ogni accoppiamento era avvolto in modo sicuro, senza ammaccature o danni durante la spedizione, solo pronto a slacciare e installare.
Il nostro team tecnico ha gestito l'installazione e hanno menzionato subito quanto fosse facile montare. Non ci sono passaggi complicati, non c'è bisogno di cacciare strumenti speciali: lo hanno messo rapidamente, e da allora ha funzionato in modo affidabile. Quando si tiene conto del prezzo ragionevole abbinato a questa prestazione coerente, è chiaro che questo accoppiamento offre un grande valore. Stiamo già programmando di tenerlo nella nostra lista di approvvigionamento regolare; È il tipo di prodotto che semplifica il mio lavoro come acquirente.
⭐⭐⭐⭐⭐ Liu Hong, direttore della manutenzione, gruppo industriale Shandong
Come qualcuno che supervisiona la manutenzione delle attrezzature, la mia più grande priorità è ridurre i tempi di inattività e ridurre il tempo che la mia squadra trascorre per manutentare le parti. L'accoppiamento SWC-DH di Raydafon controlla perfettamente entrambe quelle caselle. Lo utilizziamo in attrezzature che corre in carichi di lavoro pesanti quotidianamente e non scivola o turni, saldamente in posizione, senza collegamenti sciolti. Anche dopo mesi di utilizzo, c'è a malapena alcun segno di usura, il che è un enorme contrasto con altri accoppiamenti che abbiamo usato prima.
Con quegli accoppiamenti più vecchi, abbiamo sempre programmato correzioni rapide o sostituzioni di parte, che hanno mangiato nel tempo di produzione e hanno aggiunto i costi. Questo? Lo tochiamo a malapena: non assistenza frequente, senza guasti inaspettati. Ci ha risparmiato così tanto tempo e denaro sulla manutenzione e continua a fare il suo lavoro in modo affidabile. In questi giorni, è diventato un componente di riferimento nelle nostre operazioni quotidiane; Non devo preoccuparmi per il fallimento, il che mi consente di concentrarmi su altre priorità. È esattamente il tipo di parte affidabile di cui ogni squadra di manutenzione ha bisogno.
Indirizzo
Area industriale di Luotuo, distretto di Zhenhai, Ningbo City, Cina
tel


+86-574-87168065


Area industriale di Luotuo, distretto di Zhenhai, Ningbo City, Cina
Copyright © Raydafon Technology Group Co., limitato tutti i diritti riservati.
Links | Sitemap | RSS | XML | politica sulla riservatezza |
